Мойка Franke BWX 220-41-27 хром в Краснодаре
Характеристики
Особенности
Клапан-автомат позволит вам не контактировать с грязной или горячей водой, которая накопилась в мойке в процессе работы. Для того, чтобы открыть сливное отверстие нужно будет нажать на одну кнопку.
Установка мойки с бортиком заключается в том, что ее бортик находится на поверхности столешницы. Отсутствует отдельное углубление для бортиков.
Установка мойки вровень со столешницей — один из самых сложных видов монтажа. Мойка устанавливается на одном уровне со столешницей, отсутствуют все швы и стыки.
Оборачиваемая конструкция мойки предусматривает возможность выбора месторасположения крыла. Оно может размещаться справа или слева от чаши, что означает большее удобство при определении места установки. Оборачиваемые модели с крылом оснащаются несколькими отверстиями для монтажа смесителя.
Врезная мойка устанавливается только в специально подготовленное отверстие, которое заранее вырезается в столешнице — оно должно точно соответствовать форме и размерам мойки. Затем она прижимается к краям отверстия при помощи специальных зажимов и герметизируется уплотнительной лентой.
Корзинчатый вентиль — заглушка из нержавеющей стали, которая устанавливается в сливное отверстие мойки и служит для удержания крупного и мелкого мусора и предотвращения его попадания в канализацию. Вентили бывают перекрывающие — с заслонкой, полностью исключающей сток воды, и не перекрывающие.
Мойка с одной чашей — классический вариант, который привычен пользователям. Вариации этой конструкции — мойка с одной основной и одной дополнительной чашей, с аксессуарами (например, коландером), с крылом. Стандартная глубина таких моделей — 15-20 см, чтобы внутри поместилась посуда или продукты, а брызги не попадали вне.
Описание
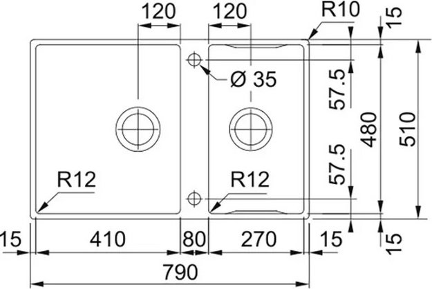
Мойка Franke BWX 220-41-27 хром — элегантное решение для современной кухни, сочетающее в себе функциональность, долговечность и безупречный внешний вид. Эта встраиваемая модель имеет строгую прямоугольную форму, что обеспечивает максимальное удобство в эксплуатации и гармонично вписывается в интерьер. Её габариты — 79 на 51 сантиметр — позволяют эффективно использовать рабочее пространство, не занимая лишнего места. Установка «вровень со столешницей» создаёт единую гладкую поверхность, упрощая уход и придавая кухонной зоне завершённый эстетичный вид.
Для установки требуется основание шириной 90 см, при этом размеры проема под мойку составляют 77×49 см, что гарантирует надежную и точную фиксацию. Благодаря продуманной конструкции изделие устойчиво к механическим повреждениям, коррозии и перепадам температур. Хромированное покрытие не только подчеркивает стиль, но и обладает высокой устойчивостью к царапинам, сохраняя блеск даже при интенсивном использовании.
Практичность этой модели подтверждается вместительной чашей, в которой удобно мыть посуду, овощи и выполнять другие кулинарные задачи. Продуманная геометрия снижает разбрызгивание воды, а гладкие внутренние стенки облегчают очистку. Изделие подходит как для частных домов, так и для коммерческих помещений, где важны надёжность и гигиеничность.
Эта мойка, сочетающая в себе передовые технологии обработки металла и лаконичный дизайн, станет неотъемлемой частью современного кухонного пространства. Её универсальность позволяет гармонично сочетать её с различными стилями интерьера — от минимализма до классики. Высокое качество исполнения и внимание к деталям делают её выбором тех, кто ценит практичность без ущерба для эстетики.
Общие характеристики

Врезная — устанавливается в подготовленное под нее отверстие в столешнице, крепится по краям среза.
Накладная — ставится в специальную тумбу с местом под коммуникации. Обычно изготавливается из листового металла.
Интегрированная — встраиваемая модель из того же материала, что и столешница. Благодаря этому она выглядит как часть мебели.

Форма мойки — самый очевидный критерий выбора модели. Благодаря разнообразию материалов изготовления производители выпускают изделия самых разных форм. Наиболее распространенными остаются прямоугольные мойки и квадратные как их разновидность. У них много достоинств — удобство встраивания и минимум проблем при монтаже, большой объем, а для прямоугольных — возможность установки в столешницу небольшой глубины. Углы у большинства моделей делают скругленными, что облегчает очистку и не дает забиваться мусору. Такие мойки можно найти во всех ценовых категориях, для их изготовления используют любые материалы.
Круглые и овальные мойки смотрятся эффектно и стильно, у них отсутствуют углы, так что уход не составляет труда. При одинаковом объеме круглая мойка будет казаться меньше, чем квадратная. Такие модели часто используют в классическом интерьере. Установка такой мойки требует круглого отверстия в столешнице, что также достаточно просто сделать. Угловые мойки позволяют заполнить пространство в углах, экономя место в помещении. Раковины в них могут быть различной формы, а место за мойкой можно использовать для хранения. Мойки в форме трапеции выглядят свежо и оригинально, но подойдут не для всякого интерьера.

Ширина мойки, как и другие габариты — параметр, который должен стать основным при выборе модели. Выбирать габариты мойки следует, исходя из состава семьи, размеров помещения, пищевых привычек: так, если в семье готовят часто и помногу, лучше выбрать модель большего размера. Ширина мойки складывается из нескольких составляющих — в частности, количества и ширины основных и дополнительных чаш, наличия крыла и его размеров.
Стандартными считаются модели с одной квадратной или круглой чашей, без крыла. Ширина для квадратных моек при этом составляет 50-60 см, круглые модели имеют диаметр около 50-55 см. Для моделей с одной чашей и крылом ширина может достигать 60-80 см. Изделия с двумя основными чашами имеют ширину до 90 см.
Ширина самых компактных моек, как правило, составляет около 40-45 см. Гораздо реже в продаже можно увидеть очень маленькие модели шириной от 20 см: их могут устанавливать в кухнях небольшой площади или использовать как дополнение к стандартным. Куда больше разброс размеров у больших моек, чья ширина превышает 80 см и может составить 120 см и более: они могут оснащаться несколькими чашами, одним или двумя крыльями, иметь необычную форму — овальную или трапециевидную.

Глубина чаши — очень важная характеристика, на которую необходимо обратить внимание, подбирая вариант для вашей кухни. Выбирать следует одновременно мойку по глубине и смеситель по высоте излива: если не согласовать эти два размера, мыть посуду или подготавливать продукты перед готовкой будет неудобно из-за брызг. Глубина зависит от многих параметров: количества чаш, типа чаши — основной или дополнительной, даже материала изготовления, а также габаритов самой мойки. Кроме того, рекомендуется ориентироваться на пищевые привычки семьи — какие продукты и какая посуда используется чаще всего и поместится ли она в раковину.
Стандартное значение глубины для моделей с одной чашей составляет 16-19 см. Если в семье часто готовят выпечку и пользуются противнями, лучше выбрать модель с большей глубиной — 19-20 см. Неглубокие раковины от 12 см на кухнях устанавливаются реже, обычно они используются в ванной, для мытья рук, но не посуды. Чаши глубиной более 20 см — не редкость у больших моек. Глубиной около 20 см могут отличаться и компактные мойки — таким образом компенсируются их малая ширина или диаметр. Следует заметить, что во время мытья посуды или продуктов к такой мойке придется наклоняться.
Установка и подключение

В зависимости от конфигурации модель можно поставить разными способами:
под столешницу — мойка расположена чуть ниже рабочей поверхности для лучшей герметизации;
вровень со столешницей — создается ощущение бесшовного пространства, а если мойка сделана из того же материала, то и единого дизайна;
над столешницей — край модели выступает на несколько миллиметров, это удобно, так как подходит для любых поверхностей.

База — это шкаф, в который вы планируете устанавливать мойку. Данный параметр обозначает минимальную ширину между боковые стенками. Именно столько нужно, чтобы правильно разместить всю сантехнику.

Бортик — выступающий край по периметру мойки, из которого раковина не сливается в единую поверхность со столешницей.
Особенности конструкции

Мойка может быть:
оборачиваемой — крыло можно расположить с любой стороны, поэтому установка становится максимально удобной;
необорачиваемой — предназначена для гарнитура с фиксированным расположением сантехники.

Выбор мойки по количеству основных чаш зависит не только от пожеланий пользователя, но и от габаритов кухни, размеров столешницы, бытовых и пищевых привычек тех, кто проживает в доме. Под основной чашей в мойках понимается обычно чаша большего размера, которая предназначается для свободного размещения и мытья грязной посуды, а также первичной разделки продуктов перед готовкой. Меньшую, дополнительную чашу, как правило, используют для ополаскивания чистой посуды, овощей или фруктов, подсушивания вымытых продуктов, размораживания.
Наиболее распространенными и популярными остаются мойки с одной чашей, которая в этом случае и будет основной. Этот вариант подойдет для небольших кухонь, одночашевую мойку целесообразно установить, если вы не планируете много готовить или принимать гостей. Плюсы ее — доступные цены, разнообразие материалов, размеров и форм. Мойки с двумя чашами одинакового размера стоит размещать в просторной кухне. Этот вариант идеален для мытья посуды, подготовки продуктов: можно использовать любую из чаш в равной степени, не боясь, что вода будет разбрызгиваться. Выбор таких моделей не так широк, а стоимость их несколько выше, чем у одночашевых.

Под дополнительной чашей в современных мойках принято понимать чашу меньшего размера и глубины, которая используется для разнообразных подсобных операций. Как правило, дополнительная чаша располагается слева от основной — так удобнее для большинства пользователей с ведущей правой рукой. Форма основной и дополнительной чаш может различаться: так, основная делается квадратной, а дополнительная — прямоугольной, причем ширина ее будет меньше, чем глубина.
Использовать дополнительную чашу можно в самых различных целях. Очень часто она играет роль «чистой зоны», где посуда или продукты ополаскиваются после мытья в основной чаше, остаются для высыхания вымытые продукты — например, зелень или овощи. Ее можно использовать для размораживания замороженных продуктов, а в некоторых случаях — для замачивания загрязненной посуды. Четкое разделение на две зоны позволяет оптимизировать процесс готовки: например, в дополнительной никогда не используются моющие средства и туда можно безбоязненно положить любые продукты. Вместе с дополнительной чашей удобно использовать различные приспособления: разделочную доску, коландер и другие, одновременно не прекращая работы в основной чаше.

Для правильного монтажа мойки и установки сифона необходимо знать диаметр сливного отверстия. Слив в кухонных мойках должен удовлетворять нескольким требованиям. Прежде всего, он должен иметь высокую пропускную способность и выдерживать высокие температуры. Диаметр отверстия должен равняться диаметру канализационной трубы. Желательно также, чтобы на слив можно было установить измельчитель отходов (диспоузер). И наконец, материал следует выбирать, исходя из того, что на стенки трубы будут налипать отходы, в том числе жир.
Диаметр сливного отверстия традиционно измеряется в дюймах. Для основных чаш применяются для стандартных диаметра сливных отверстий — 1½" и 3½". Еще реже можно увидеть мойки с сливным отверстием 1¼". Меньший диаметр могут иметь более старые модели, такие габариты бывают также у дополнительных чаш мойки или просто у небольших моек. Диспоузер под такую раковину поставить невозможно. Модели с диаметром слива три с половиной дюйма (около 90 мм) выпускаются в соответствии с европейскими стандартами, они позволяют быстрее спустить воду из раковины, и полностью совместимы с сифонами нового образца, на них легко крепятся стандартные диспоузеры.
Дизайн

Цвет мойки — параметр, который выбирается, исходя из общего стиля интерьера. При его выборе учитывается прежде всего, из какого материала изготовлена мойка, так как каждый из них имеет свои ограничения. Кроме того, стиль и цвет мойки выбирается в соответствии (или на контрасте) со стилем и цветом смесителя, столешницы, бытовой техники, фартука кухни. Так, металлические эмалированные мойки, наиболее бюджетные, представлены в основном в универсальном белом цвете.
Мойки из нержавеющей стали имеют характерный серебристый цвет. В зависимости от покрытия они могут быть как глянцевыми или матовыми: последние считаются более практичными. Металлические мойки могут иметь цветное покрытие, однако выбор оттенков здесь невелик: золотистые, бронзовые, медные, латунные. Благодаря высокому качеству и современным методам обработки такие покрытия не стираются и теряют цвет долгие годы, однако следует отличать их от моек из настоящей меди, латуни или бронзы — намного более дорогих моделей, относящихся к премиум-классу.
Мойки из искусственного камня выпускаются обычно в пастельных тонах, которые получают благодаря добавлению специальных пигментов. Количество оттенков у них очень велико — от белого, жемчужного, беж, цветов ванили, пастилы, корицы до тонов графит, антрацит и базальт, а также универсального черного. Эти оттенки отличаются высокой стойкостью, не линяют и не выцветают. Менее востребованы цветные мойки, однако по качеству они не уступают изделиям нейтральных оттенков.
Модели из натурального камня чаще всего не покрывают ничем, чтобы подчеркнуть естественную текстуру, однако в продаже имеются изделия из мрамора или гранита цветов шоколада, титана, беж, шампань и других. Керамические мойки традиционно выпускают в классических оттенках белого и черного, а также в сдержанных серых, кремовых, коричневых тонах.

От материала изготовления зависит не только их стоимость моек, но и надежность, устойчивость к разного рода воздействиям, срок службы. Нержавеющая сталь — один из самых распространенных материалов. В числе ее преимуществ — прочность, простота в уходе, выгодная цена. Такие модели могут быть сварными или штампованными. Качество изделия зависит также от толщины стального листа: чем она больше, тем меньше шум при ударе воды и тем лучше будет закреплен смеситель. Мойки изготавливают и из других металлов: особенно благородно и стильно выглядят модели из меди, латуни или бронзы.
Модели из искусственного камня, хорошо поддающегося обработке, отличает разнообразие форм, размеров и расцветок. Эти прочные, эффектные мойки требуют особого подхода при встраивании из-за значительного веса. Изделия из натурального камня относятся к премиум-классу и чаше изготавливаются на заказ. Мебель для них также должна быть особенно прочной.
Удобны и элегантны мойки из керамики: они могут изготавливаться из фарфора, фаянса или керамогранита и отлично смотрятся в классическом или деревенском интерьере. Такие модели, особенно фарфоровые и фаянсовые, нужно беречь от механических повреждений.
Комплектация

В комплекте идет доска, на которой вы можете чистить и резать продукты, не отходя от мойки. Как правило, аксессуар подходит по дизайну и сделан из материалов, не боящихся воды.

Заглушка для сливного отверстия с множеством отверстий для фильтрации. Благодаря ему вода уходит в канализацию, а крупные частицы пищи остаются в раковине. Это помогает избежать засора.

Заглушка на сливе мойки, которая управляется специальным механизмом на бортике или столешнице. Это удобно, если вы полностью набираете раковину для мытья посуды или очистки самой поверхности. Не нужно пачкать руки, можно контролировать слив воды с помощью кнопки или рычага.

Крепежные элементы, которые надежно прижимают края мойки к краям выреза в столешнице. Они располагаются снизу, чтобы на поверхности не было следов.

Устройство, соединяющее слив мойки и канализацию. Представляет собой трубку из металла или пластика либо систему патрубков.
Деревянная разделочная доска
Миска из нержавеющей стали
Профессиональный нож для хлеба
Профессиональный нож для овощей
Профессиональный нож для мяса и рыбы
Деревянный держатель для ножей
Инструкции
Доставка заказов магазином осуществляется до терминала транспортной компании. Вы можете забрать технику оттуда самостоятельно или оформить доставку по адресу проживания, которая проводится сотрудниками ТК.
Сроки передачи товара в терминал зависят от нескольких факторов: наличия товара на складе, специальных условий бренда. Их, как и точную стоимость доставки, вам сообщит менеджер при подтверждении заказа по телефону.
На сегодняшний день товара нет в наличии на складе — необходимо дождаться его поступления от поставщика. Вероятные сроки отгрузки озвучит менеджер при подтверждении заказа.
Прием товара производится в согласованную заранее дату — если условия со стороны транспортной компании изменятся, с вами свяжутся и предложат новый вариант. Если вы сами хотите изменить время, предупредите нас по телефону — также подберем другое удобное время. Обратите внимание: при доставке до квартиры в полномочия работника не входят занос техники в помещение или подготовка ее к установке. Внимательно осматривайте товар при получении — вы можете отказаться до подписания документов, если обнаружили повреждения.
Подключение проводится мастерами наших компаний-партнеров в Краснодаре — это отдельная от доставки услуга, осуществляется в другой день. Некоторые товары (блендеры, тостеры, кухонные комбайны и т. д.) не требует вмешательства мастера, так как собрать и включить их в розетку вы сможете самостоятельно.
На этот товар действует бесплатная доставка до терминала транспортной компании (при общей стоимости заказа от 150 000 млн рублей. Перемещение на адрес заказчика оплачивается дополнительно.
Подъем техники весом до 7 кг бесплатный, даже если в доме нет лифта. Стоимость подъема на лифте более тяжелых товаров — 50-150 рублей в зависимости от веса. Без лифта стоимость складывается из расчета 50-150 рублей/этаж.
Установка и подключение этого товара на готовые коммуникации проводится нашими специалистами бесплатно (при общей стоимости заказа от 500 000 рублей). Обратите внимание, что демонтаж старой техники — это отдельная услуга.
Оформляя заказ на сайте через корзину, вы можете выбрать один из вариантов оплаты:
- онлайн через электронную систему платежей;
- безналичным расчетом.
При оформлении заказа по телефону (или при его подтверждении после отправки формы на сайте) менеджер подробно расскажет вам, как оформить предоплату.
На данный товар распространяется официальная гарантия производителя. Обслуживание в течение всего гарантийного срока осуществляется авторизованными сервисными центрами производителя в соответствии с требованиями, указанными в Законе РФ «О защите прав потребителей».
 Обратите внимание: гарантийный срок и установленный производителем срок службы — это разные понятия. Изготовитель принимает на себя ответственность по устранению неисправностей, если не указано обратного.
ВАЖНО!
 При получении обязательно осмотрите прибор: нет ли на нем механических повреждений, соответствует ли комплектация заявленной.
Обратите внимание:
- Есть функции:
- ‐ Перелив
- ‐ Рамка из нержавеющей стали
- Материал: гранит
- Ширина мойки: меньше на 24.7 см
- Глубина основных чаш (по вертикали): меньше на 29 см
- Ширина базы: 60 см
- Гарантия: больше на 48 мес
- Габариты мойки, ШxГ (см): 54.3x51
- Нет функций:
- ‐ Разделочная доска
- ‐ Корзинчатый вентиль
- ‐ Клапан-автомат
- ‐ Фиксирующие зажимы
- ‐ Сифон
- Ширина мойки: меньше на 4 см
- Глубина основных чаш (по вертикали): меньше на 28 см
- Габариты мойки, ШxГ (см): 75х51
- 
															Способ установки:
 ‐ под столешницу
 
- Тип конструкции: необорачиваемая
- Размер основных чаш, ШxГ (см): 54х41
 
																		
																		 
																		
																		 
																		
																		 
																		
																		 
																		
																		 
																		
																		 
																		
																		 
																		
																		 
															 
															 
															 
															 
															 
																
															 
																
															 
																
															 
												 
												 
												 
												 
												 
												 
												 
																						 
																						 
																						 
																						 
																						 
																						 
																						 
																						 
																						 
																						 
												 
												 
												 
																	
																 
																	
																 
																	
																 
																	
																 
																	
																 
																	
																 
																	 
																	